匠心 服务 创新 品质

手动双连杆密闭阀门是设置在通风系统中,其特点是能阻止毒剂通过管道进入工程内部,也可用于转换通风方式。

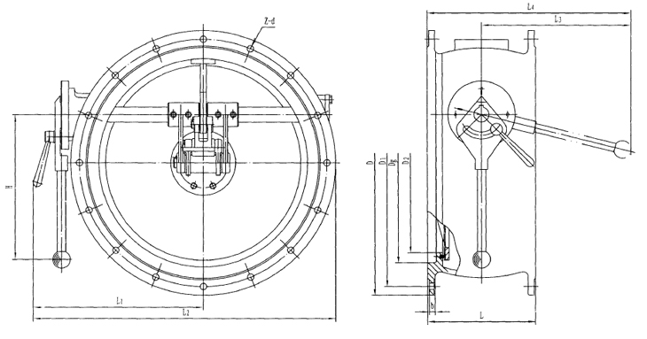
| 型号 | 直径Dg | 直径D | 直径D1 | 直径D2 | 轮廓尺寸L | 轮廓尺寸L1 | 轮廓尺寸L2 | 轮廓尺寸L3 | 轮廓尺寸L4 | 轮廓尺寸H | 边厚B | 孔数Z | 孔径D |
|---|---|---|---|---|---|---|---|---|---|---|---|---|---|
| SMF15 | 150 | 280 | 250 | 150 | 152 | 216 | 356 | 289 | 365 | 280 | 12 | 13 | 10 |
| SMF20 | 200 | 310 | 280 | 182 | 152 | 230 | 385 | 289 | 365 | 280 | 12 | 13 | 10 |
| SMF30 | 300 | 410 | 380 | 282 | 172 | 280 | 485 | 289 | 375 | 280 | 12 | 13 | 13 |
| SMF40 | 400 | 495 | 495 | 360 | 216 | 343 | 608 | 298 | 406 | 290 | 12 | 16 | 13 |
| SMF50 | 500 | 600 | 600 | 460 | 229 | 396 | 716 | 298 | 413 | 290 |