匠心 服务 创新 品质

人防防爆呼叫按钮时通常安装在非人防区(防护门外),当有人需要进入人防区时,按住按钮,就会呼叫值班人员,值班人员查看人防通风方式信号灯箱的显示状态,来决定是否开门。
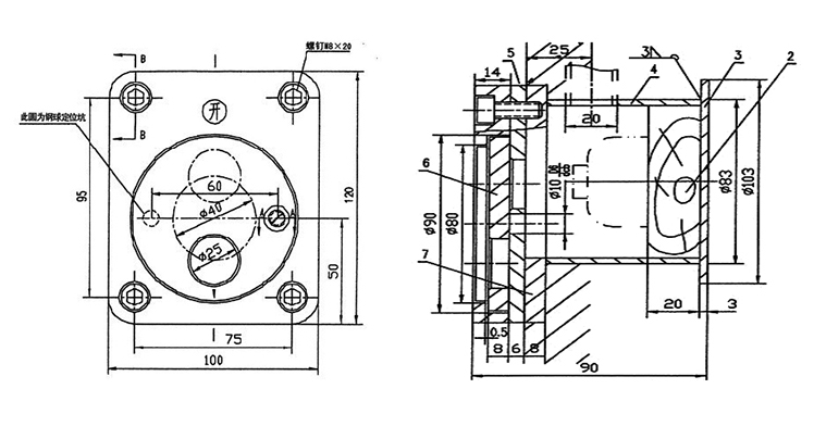
呼唤按钮产品包括一带容置腔的底座,一按铃设置在所述容置腔内,一衬板盖在所述的底座上,且该衬板上对应按铃的按钮处设有一通孔,一带有通孔的上盖板盖在衬板上,且在衬板和上盖板之间形成一容置槽,一可转动的设置在容置槽内并且份露在盖板的通孔处,在上开设有一转动至适当位置时与衬板上的通孔对应的通孔,所述的上另向外设有一手柄;由于将按铃设置在防震防爆的底座内,即使有强烈的外力冲击也无法损坏到电按铃,保证其安全性,使用时,转动手柄,让上的通孔与衬板上的通孔相对应,手指便可伸入到底座内按动按钮让里面的人知道,及时打开密闭门。
