网站首页
关于我们
产品中心
经典案例
新闻中心
联系我们
MENU
网站首页
关于我们
产品中心
经典案例
新闻中心
联系我们
产品中心
匠心 服务 创新 品质
首页
>
产品中心
产品中心
经典案例
>
战时风水电产品
战时风水电产品
钢筋混凝土防护密闭门
钢结构防护密闭门
防护密闭屏蔽门与密闭屏蔽门
电控防护密闭门与密闭门
防护防火密闭门与防火密闭门
密闭观察窗
防爆波活门
密闭阀门
防护密闭封堵板
特种专用防护设备
>
手(电)动双连杆密闭阀
产品中心
PRODUCTS CENTER
向下滚动
钢筋混凝土防护密闭门
钢结构防护密闭门
防护密闭屏蔽门与密闭屏蔽门
电控防护密闭门与密闭门
防护防火密闭门与防火密闭门
密闭观察窗
防爆波活门
密闭阀门
防护密闭封堵板
战时风水电产品
特种专用防护设备
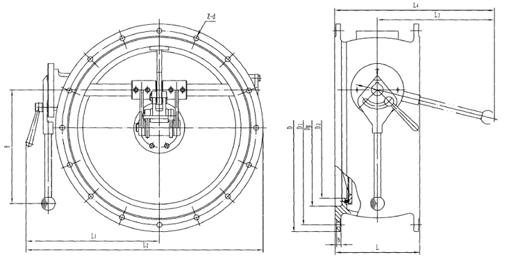
手(电)动双连杆密闭阀
手动双连杆密闭阀门是设置在通风系统中,其特点是能阻止毒剂通过管道进入工程内部,也可用于转换通风方式。
上一条
下一条